隨著經濟和生活對能耗的需求越來越大,化石燃料已經不能滿足人們對能源的需要,對新能源的迫切需求,使得太陽能建筑光伏發電成為我們未來清潔能源的不二選擇。在全球大力發展建筑光伏發電系統技術的同時,涉及到許多問題,特別是在改擴建項目中,需要與原來的主體結構有很好的連接,才能保證光伏發電系統的受力性能和防水密封性能。
01
金屬屋頂光伏發電系統
金屬屋面系統包括:直立鎖邊鋁鎂錳金屬屋面系統、立邊咬合系統、平鎖扣式屋面墻面系統、二次屋面系統、角馳屋面系統、暗扣式屋面系統。金屬屋頂各式各樣,光伏陣列的安裝方式也多種多樣。
要在金屬屋頂安裝光伏系統,主要通過各種連接件將金屬屋面太陽能光伏支架系統連接在屋頂上。一般情況下,對于直立鎖邊鋁鎂錳金屬屋面系統、立邊咬合系統、角馳屋面系統,只要金屬屋頂的防水層不被破壞,在安裝光伏陣列注意施工、做足防護措施,屋頂的防水建筑功能就不會破壞。對于解決這類的防水密封問題,就是解決金屬屋頂的防水問題。
工程實例:
通過對現場的考察以及和業主的溝通,充分了解現場屋面的情況后,總結屋面的漏水產生的原因主要有以下幾種:
1. 原來屋面板連接位置的銹蝕;
2. 屋面沒有固定的檢修通道,檢修人員的走動,容易造成局部板的破壞,引起漏水;
3. 原來采光天窗的防水處理沒有做好,局部漏水嚴重;
針對上述的產生漏水的原因,分別可用以下途徑解決:
█ 對于銹蝕位置的處理
1)預處理:
金屬屋面施工前仔細徹底檢查整個屋面的漏水狀況,對其進行預處理,確保金屬屋面牢固、干凈、無銹蝕、無雜物、灰塵,不符合上述情況則分別作如下處理:
A. 更換已生銹固件,在適當的位置增加固件;
B. 用除銹砂紙將生銹區域打磨干凈,直至呈現金屬本色,然后涂一層基層涂料;
C. 清除雜物,灰塵及其它臟物;
2)對屋面的銹蝕位置做防水處理,選用防水涂料進行噴涂。
金屬屋面搭接處:
金屬屋面搭接處先涂一層基層涂料,在其仍為濕潤時,把15~20厘米寬的縫織聚酯布嵌入其中,再從上面用基層涂料充分浸潤縫織聚酯布,以至全干。
建造檢修走道:
在解決屋面漏水之后,制作專門的檢修通道,以避免后期的各項維護工作對屋面造成再次破壞。
具體來說,檢修通道固定在金屬屋面板突出的肋上,通過設置一道金屬格柵來提供檢修人員的通道。避免隨意走動對屋面造成的破壞。
█ 對于屋面突出物周邊的處理
1)金屬屋面的突出物(如煙囪、出氣孔、風機口等):裁剪尺寸、形狀合適的縫織聚酯布,并按技術要求裁剪好,在突出物周圍涂一層基層涂料,把裁剪好的縫織聚酯布鋪于其上,再從上面用基層涂料充分浸潤縫織聚酯布,確保不起泡、不起皺。

金屬屋面與采光頂結合處
2)金屬屋面固件:用10㎝×10㎝的縫織聚酯布,按上述同樣的方法處理。

原金屬屋面防雷帶
3)金屬屋面天溝:天溝搭接縫,落水口等處先做金屬屋面局部防水處理,然后在更大防水范圍涂一層涂料,在其仍為濕潤時鋪上縫織聚酯布,再從上面用漿料充分浸潤縫織聚酯布,以至全干。至少12小時后,最后再涂一層漿料。

金屬屋面與排水溝結合處
█ 光伏組件支架的安裝方式
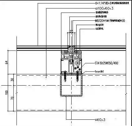
該金屬屋面的為立邊咬合結構的金屬屋面,如下圖,屋面的支撐受力點就在屋面板的肋上,而我們所設計支架就是通過金屬夾固定在屋面板的肋上,不僅無任何穿孔,而且能使屋面板咬合更為牢固,可以解決因為屋面板咬合松動引起的漏水問題。

金屬屋面搭接處

電池板在金屬屋面安裝方式

電池板在金屬屋面安裝方式三維圖
02
光伏采光頂
光伏采光頂是光伏建筑一體化的表現,即用雙玻光伏組件材料制成的有采光功能的建筑頂部,具有發電功能和建筑功能。光伏采光頂的光伏組件將自身所承受的各種荷載通過硅酮類的結構膠傳遞給鋁合金副框,再通過壓塊和自鉆自攻釘將副框的線荷載傳遞給橫梁和立柱。同時,對于室外,硅酮類的結構膠也起到了密封作用。因此,正確選用硅酮類結構膠、合理進行節點設計、控制施工質量,是確保光伏采光頂結構安全性的關鍵。而采光頂的氣密性和水密性則主要依靠硅酮類密封膠來保證,硅酮類結構膠好比人的牙齒,而硅酮類密封膠好比人的嘴唇,唇亡齒寒,缺一不可。
工程實例:
█ 光伏采光頂的安裝:
1. 測量放線,根據主體施工單位移交的軸線、標高以及網架球節點施工記錄進行必要的復核,確定網架球節點是否適用,按采光頂布置圖進行全面的測量放線,確定采光頂安裝軸線標高,并及時整理把測量數據提交業主等相關方確認,對預埋件偏差數據反饋設計人員,提出處理意見報業主等確認;
2. 將球節點上的油膏清除,將支托安裝在球節點上;
3. 橫梁安裝;
4. 玻璃面層的安裝包括面層安裝、清潔、打膠。
該采光頂為排水坡度為3%的單坡采光頂,先將雙玻光伏組件放置在設計位置,通過雙邊壓塊和自鉆自攻釘將雙玻組件固定、卡在鋁軌上,在雙玻光伏組件面層之間的縫隙里塞泡沫棒、打耐候密封膠形成裝飾面層。待面層安裝完成后,即可安排打膠。打膠首先在膠縫兩側飾面上粘貼好保護膠帶,再把泡沫條均勻地填入膠縫中,泡沫條表面應與飾面表面距離控制在5-7mm 之間,以保證密封膠的厚度,用清冼液清潔膠接觸面,然后行同一方向用打膠槍把密封膠均勻地注入膠縫內,并立即用膠筒或灰刀刮平,去除保護紙,避免過長時間形成污染。打膠是檢驗安裝是否成功的一個重要環節,不但是外觀的點晴之筆,且直接影響采光頂的防滲功能。打膠時還要注意天氣情況,杜絕雨天,避免高溫與低溫5 度以下作業,以確保打膠質量,并保證膠縫粗細均勻,表面美觀流暢。安裝開啟部位必須仔細,止水膠墊、支撐等,確保滿足設計要求以及啟閉靈活。
5. 清潔、交驗安裝面層完成后,及時清洗于凈外飾面,并向業主等相關方提交報驗申請驗收。工程竣工后需組織驗收前的清理工作。

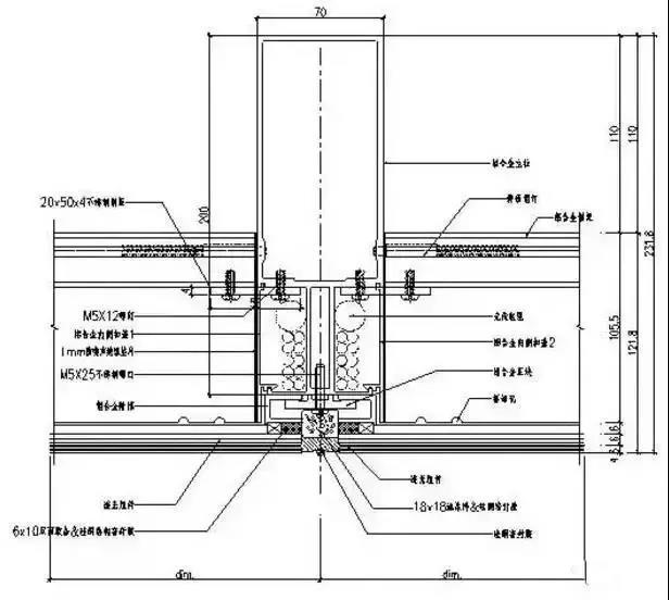
隱框采光頂橫剖面節點示意圖

隱框采光頂豎剖面節點示意圖
03
光電幕墻
考慮到遮擋、光伏組件的加工限制,目前的光電幕墻以隱框幕墻為主流。在隱框幕墻工程中,無論是面層的結構裝配,還是實現幕墻氣密性、水密性等建筑功能,主要依賴硅酮膠。光電幕墻用硅酮類的結構膠將光伏組件粘結在支撐結構上。硅酮結構膠是專為建筑幕墻結構裝配而設計的。可在一般的氣候條件下輕易擠出使用。硅酮類的結構膠強度高,能承受較大荷載,且具有耐老化,耐腐蝕,耐疲勞的特點。硅酮密封膠這種材料具有耐高低溫、耐紫外線照射、耐雨水而不會老化的特點,是使用壽命最長的密封膠,因此稱為耐候膠。所以合理設計和運用硅酮結構膠和硅酮密封膠變得尤為重要。

隱框幕墻橫剖面節點示意圖

隱框幕墻豎剖面節點示意圖
04
總結
據介紹:光伏方陣與建筑結合的方式不同,光伏建筑一體化可分為兩大類:一類是光伏方陣與建筑的結合,如在混凝土屋頂、金屬屋頂上安裝光伏系統。另一類是光伏方陣與建筑的集成。如光電瓦屋頂、光電幕墻和光電采光頂等。
目前在建的光伏發電項目,大多數是在已經建成的建筑上安裝,所以迫切的需要研究新增加的光伏系統支撐結構與原來的結構直接的防水密封問題。本文初略的總結的目前常用的集中光伏系統的防水密封方式,與大家一起探討。對于如何解決建筑光伏發電系統中的防水密封問題,我們在注重保護和修復原有建筑的同時,解決好與原有建筑之間的防水密封處理。
文章轉載請注明轉自《門窗幕墻英才網》
